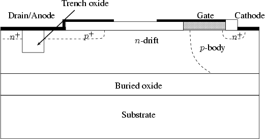
4.5.2 Device Structure and Operations

Figure 4.43 shows the schematic structure of the proposed SOI SA-LIGBT. The $ n^+$-layer is introduced to the $ p^+$-anode region to achieve a shorted-anode structure. As can be seen in the figure, the $ n^+$- and $ p^+$-areas are separated by the trench oxide.




Figure 4.43: Schematics of the proposed SOI SA-LIGBT with a trench oxide at the drain$ /$anode.
\begin{figure}\begin{center}
\psfig{file=figures/ligbt/trenchDCONT.eps,
width=...
....6,4.0)
\end{pspicture}\end{picture} \vspace*{-0.0cm}
\end{center}\end{figure}

The device is designed to achieve a BV of 120V with an SOI thickness $ t_\mathrm{soi}$ of 2.0$ \mu $m and with a buried oxide thickness $ t_\mathrm{ox}$ of 1.0$ \mu $m. The design parameters used for this analysis are listed in Table 4.5.


Table 4.5: The technological and geometrical parameters considered for device simulation.
Parameter Value
$ n$-drift doping $ N_\mathrm{D}$ 1.0 $ \times $ $ 10^{16}$ $ \mathrm{cm}^{-3}$
$ n$-drift length $ L_\mathrm{d}$ 8.5$ \mu $m
SOI thickness $ t_\mathrm{soi}$ 2.0$ \mu $m
N-substrate doping 5.0 $ \times $ $ 10^{18}$ $ \mathrm{cm}^{-3}$
Buried oxide thickness $ t_\mathrm{ox}$ 1.0$ \mu $m
$ n^+$ drain length$ \mu $m 2.0$ \mu $m
$ p^+$ anode length$ \mu $m 6.0$ \mu $m
Trench oxide depth$ \mu $m 0.5 - 1.5$ \mu $m

The maximum BV of the SOI SA-LIGBT is limited by the thickness of the buried oxide. An optimal drift length and doping must be ensured to get the best trade-off between the on-resistance and the BV. As shown in the table the $ n$-drift length is 8.5$ \mu $m, the doping amounts to 1.0 $ \times $ $ 10^{16}$ $ \mathrm{cm}^{-3}$, and the trench oxide depth is 1.0$ \mu $m. A highly doped $ n$-buffer is added at the drain/anode region which helps to prevent punch through at this region.



Figure 4.44: Current flow arrows of the proposed SA-LIGBT at $ V_\textrm {G}$ $ =$ 12 V and $ V_\textrm {A}$ $ =$ 10 V.
\begin{figure}\begin{center}
\psfig{file=figures/ligbt/curbjt1.eps,
width=0.7\...
...makebox(0,0){Substrate}}
\end{picture} \vspace*{0.0cm}
\end{center}\end{figure}

To suppress the NDR the length of the $ p^+$-anode of the conventional SA-LIGBT must be increased. To overcome this drawback we introduce a trench oxide at the drain/anode region. The $ n^+$-drain length of 2.0$ \mu $m and the $ p^+$-anode length of 6.0$ \mu $m are used through out all the simulations. With the structure proposed it is possible to suppress the NDR without increasing the $ p^+$-anode length.

As shown in Figure 4.43, the device has a hybrid LDMOSFET-LIGBT structure with a common drift region. The $ p^+$-anode provides conductivity modulation of the $ n$-drift region. The $ n^+$-drain defines a lateral DMOS structure and an electron extraction path during turn-off of the device. As a result two different modes of on-state operation can be seen, which depend on the bias conditions.

At low anode voltages the device exhibits MOSFET operation. Only the $ n^+$-region at the drain/anode contributes to the current conduction in the on-state and significant conductivity modulation of the $ n$-drift region cannot be seen. As the anode voltage increases, the potential underneath the $ p^+$-anode starts to fall and makes the $ p^+$-anode and $ n$-drift junction forward biased. Considerable injection of holes from the $ p^+$-anode to the $ n$-drift region takes place, resulting in a lower forward voltage drop than that of the SOI-LDMOSFET. Figure 4.44 shows the current flow of the proposed SA-LIGBT at $ V_\mathrm{G}$ $ =$ 12V and $ V_\mathrm{A}$ $ =$ 10V. The electron current at the $ n^+$ drain region, and the hole current at the $ p^+$-anode and under the cathode ($ p$-body region) can be seen simultaneously.

Jong-Mun Park 2004-10-28